国产成人vr精品a视频_亚洲91美女情欲视频_在线观看永久免费AV_国产模特深喉在线观看

全國咨詢電話

13773009190

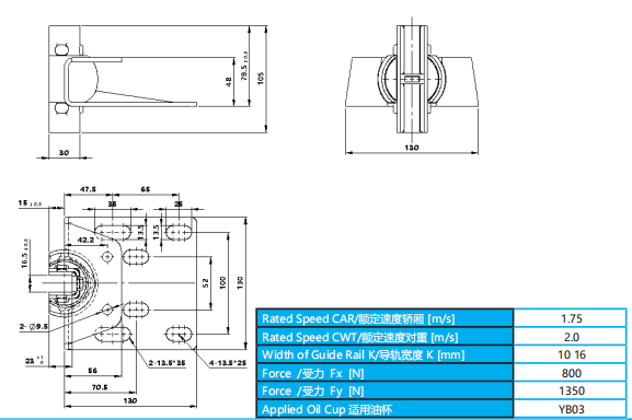
當前位置:首頁>>產品中心>>客梯轎廂導靴>>YJ-HF-06
聯(lián)系我們contact us
全國咨詢熱線0510-85530330

聯(lián)系人:奚經理

手機: 13773009190 (微信同號)

電 話/傳真: 0510-85530330

email:cecily.yuje@foxmail.com

地 址: 無錫市青龍山路449號


客梯轎廂導靴
分享至:

YJ-HF-06

產品描述:

詳細介紹:

1570748563(1).png

HF-06 (3).jpgHF-06 (4).jpg